13862323769
网站首页
关于我们
新闻动态
工程案例
产品中心
闸阀系列
截止阀系列
止回阀系列
球阀系列
蝶阀系列
水力控制阀系列
暖通消防阀门系列
排气阀过滤器系列
电动气动阀门系列
管路辅助系列
服务流程
联系我们
当前位置:
首页
>>
产品中心
>>
水力控制阀系列
>>
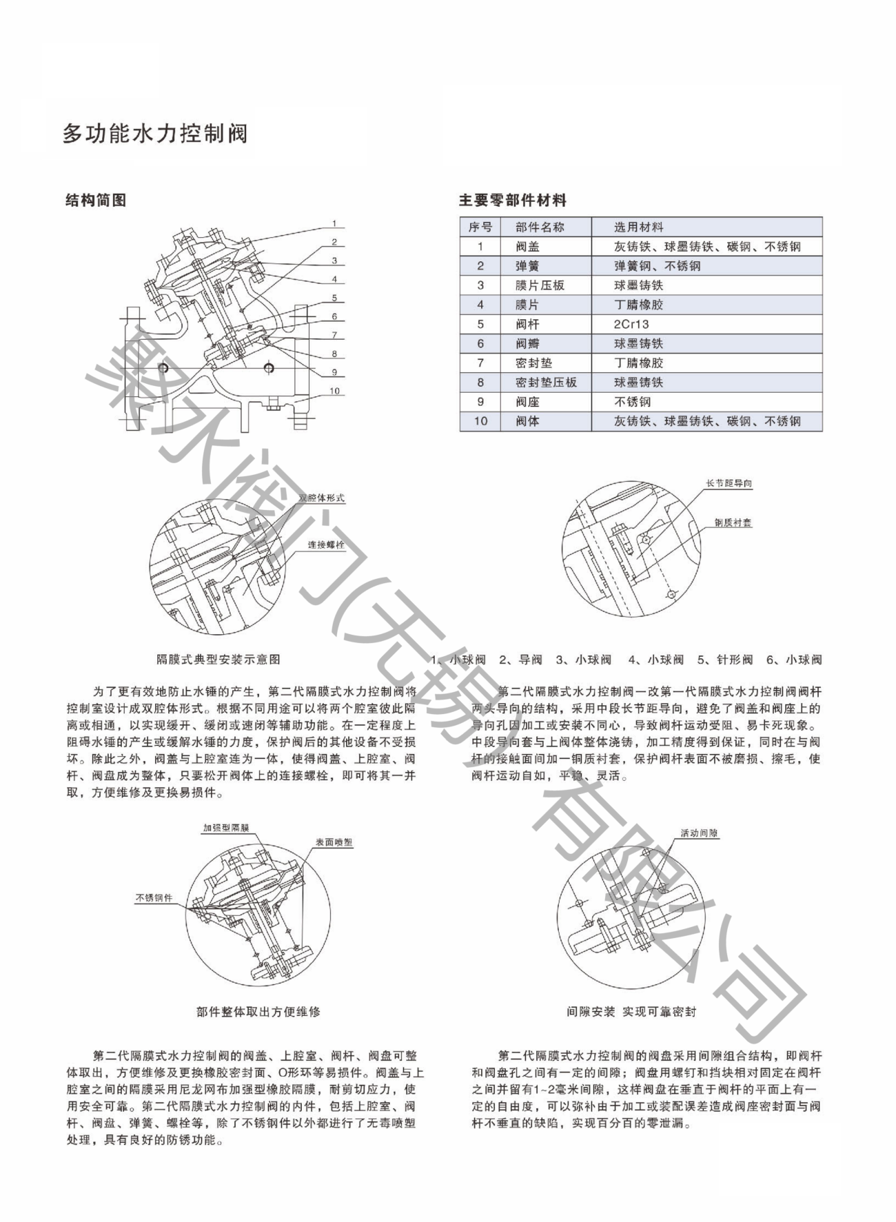
JD745X多功能水泵控制阀
产品中心
PRODUCT
闸阀系列
截止阀系列
止回阀系列
球阀系列
蝶阀系列
水力控制阀系列
暖通消防阀门系列
排气阀过滤器系列
电动气动阀门系列
管路辅助系列
联系我们
contact us
全国咨询热线
13862323769
聚水阀门(无锡)有限公司
联系人:廖先生
手机:13862323769
地址:宜兴市高塍镇远东大道66号中国宜兴国际环保城7幢24室
水力控制阀系列
分享至:
<
>
JD745X多功能水泵控制阀
产品描述:
详细介绍:
上一篇:
JM644X角式快开排泥阀
下一篇:
J644X液压式角式排泥阀
推荐信息
14/05/2025 |
J644X液压式角式排泥阀
14/05/2025 |
400X流量控制阀
14/05/2025 |
800X压差旁通平衡阀
14/05/2025 |
JM644X角式快开排泥阀
14/05/2025 |
调流调压阀
14/05/2025 |
池底排泥阀
14/05/2025 |
F741X可调式减压阀
14/05/2025 |
C固定锥形阀
相关信息